Mikä on desorptioelektrolyyttijärjestelmä ja miksi se on välttämätöntä nykyaikaiselle kullanpoistolle?

2026-04-21 - Jätä minulle viesti

TheDesorptioelektrolyyttijärjestelmäon ratkaiseva teknologia nykyaikaisessa kullan louhinnassa, erityisesti hiili-in-pulp- (CIP) ja hiili-in-leach (CIL) -prosesseissa. Tämä blogi tutkii järjestelmän toimintaa, sen osia, etuja ja miksi siitä on tullut standardi tehokkaassa kullan talteenotossa. Korostamme myös sitä, kuinka yritykset pitävätEEPPINENedistävät innovaatioita tällä alalla. Loppujen lopuksi sinulla on kattava käsitys siitä, kuinka tämä järjestelmä parantaa tuottavuutta, vähentää kustannuksia ja parantaa palautusastetta.

Desorption Electrolytic System

Sisällysluettelo


Mikä on desorptioelektrolyyttijärjestelmä

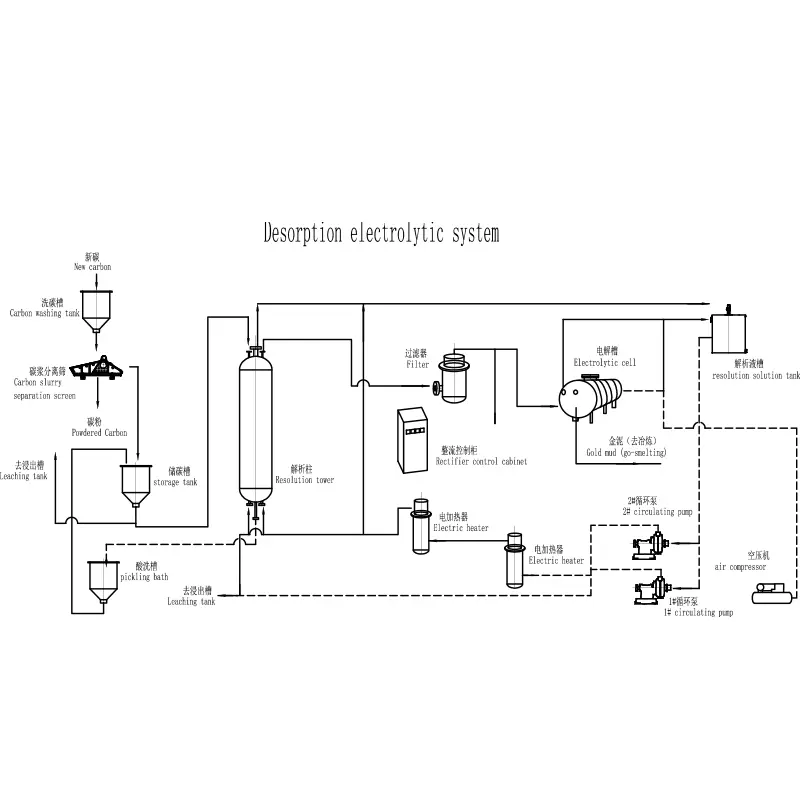
A Desorptioelektrolyyttijärjestelmäon edistynyt kullan talteenottojärjestelmä, jota käytetään kullan erottamiseen aktiivihiilestä. Sitä käytetään laajalti kaivostoiminnassa, jossa kulta imeytyy hiilihiukkasiin liuotusprosessin aikana.

  • Desorptio: Poistaa kullan hiilestä käyttämällä korkean lämpötilan ja korkean paineen liuoksia
  • Elektrolyysi: Talteen kullan liuoksesta katodeille
  • Suljetun silmukan järjestelmä: varmistaa tehokkuuden ja minimaalisen häviön

Tämä järjestelmä on välttämätön talteenoton tehokkuuden parantamiseksi ja käyttökustannusten vähentämiseksi, mikä tekee siitä keskeisen osan nykyaikaisissa kullanjalostuslaitoksissa.


Kuinka desorptioelektrolyyttijärjestelmä toimii

Toimintaperiaate aDesorptioelektrolyyttijärjestelmäsisältää kaksi päävaihetta:

  1. Desorptiovaihe:Kultakuormaista hiiltä käsitellään kuumalla alkalisella syanidiliuoksella vapauttaen kulta-ioneja.
  2. Elektrolyysivaihe:Kultarikas liuos kulkee elektrolyyttikennon läpi, jossa kulta laskeutuu teräsvillakatodeille.

Prosessi varmistaa korkean hyötysuhteen ja mahdollistaa jatkuvan toiminnan, minkä vuoksi yritysten järjestelmät pitävätEEPPINENovat laajalti käytössä teollisissa sovelluksissa.


Järjestelmän pääkomponentit

Komponentti Toiminto
Desorptiokolonni Pitää aktiivihiiltä ja helpottaa kullanpoistoa
Elektrolyyttinen kenno Ottaa kullan talteen elektrolyysin avulla
Lämmönvaihdin Säilyttää vaaditun lämpötilan
Suodatinjärjestelmä Poistaa epäpuhtaudet liuoksesta
Ohjausjärjestelmä Automatisoi toiminnan ja valvoo parametreja

Jokaisella komponentilla on tärkeä rooli järjestelmän tehokkaan ja johdonmukaisen toiminnan varmistamisessa.


Tekniset edut ja ominaisuudet

  • Korkea kullan talteenottoaste (jopa 98 %)
  • Alhainen energiankulutus
  • Automatisoitu toiminta vähentää työvoimakustannuksia
  • Kompakti muotoilu tehostaa tilaa
  • Ympäristöystävällinen minimaalisilla päästöillä

Valmistajat pitävätEEPPINENoptimoida näitä järjestelmiä jatkuvasti vastaamaan alan kehittyviä vaatimuksia ja varmistaakseen paremman suorituskyvyn ja luotettavuuden.


Sovellukset kullankäsittelyssä

TheDesorptioelektrolyyttijärjestelmäkäytetään laajalti:

  • Kullankaivoslaitokset
  • CIP (Carbon-in-Pulp) -toiminnot
  • CIL (Carbon-in-Leach) -prosessit
  • Kultajätteen talteenotto

Monikäyttöisyytensä ansiosta se soveltuu sekä laajamittaiseen teolliseen kaivostoimintaan että pienempiin tehokkuutta parantaviin toimintoihin.


Vertailu perinteisiin menetelmiin

Ominaisuus Desorptioelektrolyyttijärjestelmä Perinteiset menetelmät
Tehokkuus Korkea Kohtalainen
Automaatio Täysin automatisoitu Manuaalinen tai puoliautomaattinen
Maksaa Pienemmät pitkän aikavälin kustannukset Korkeammat käyttökustannukset
Ympäristövaikutus Matala Korkeampi

On selvää, että nykyaikainen järjestelmä tarjoaa merkittäviä etuja perinteisiin kullan talteenottotekniikoihin verrattuna.


Valintaopas ostajille

Kun valitset aDesorptioelektrolyyttijärjestelmä, ota huomioon seuraavat tekijät:

  • Käsittelykapasiteetti
  • Automaatiotaso
  • Energiatehokkuus
  • Valmistajan maine (esim. EPIC)
  • Myynnin jälkeinen tuki

Oikean järjestelmän valinta varmistaa pitkän aikavälin toiminnan menestyksen ja maksimaalisen sijoitetun pääoman tuoton.


Huolto- ja käyttövinkkejä

  • Tarkista putkistot ja venttiilit säännöllisesti
  • Seuraa lämpötila- ja painetasoja
  • Puhdista elektrolyyttikennot säännöllisesti
  • Vaihda kuluneet osat viipymättä
  • Noudata tarkasti valmistajan ohjeita

Oikea huolto pidentää merkittävästi järjestelmän käyttöikää ja varmistaa tasaisen suorituskyvyn.


FAQ

1. Mikä on desorptioelektrolyyttijärjestelmän päätarkoitus?

Sen päätarkoituksena on kullan erottaminen ja talteenotto tehokkaasti aktiivihiilestä.

2. Kuinka tehokas järjestelmä on?

Useimmat järjestelmät saavuttavat yli 95 % kullan talteenottoasteen käyttöolosuhteista riippuen.

3. Onko järjestelmä ympäristöystävällinen?

Kyllä, nykyaikaiset järjestelmät on suunniteltu minimoimaan päästöt ja vähentämään kemiallista jätettä.

4. Voiko sitä mukauttaa?

Kyllä, EPIC:n kaltaiset yritykset tarjoavat räätälöitäviä ratkaisuja käsittelyvaatimusten perusteella.

5. Mitkä toimialat käyttävät tätä järjestelmää?

Pääasiassa kullankaivosteollisuudessa, mutta myös jalometallien talteenottosovelluksissa.


Johtopäätös

TheDesorptioelektrolyyttijärjestelmäedustaa läpimurtoa kullan talteenottoteknologiassa, joka tarjoaa vertaansa vailla olevaa tehokkuutta, luotettavuutta ja ympäristöystävällisyyttä. Jatkuvalla edistyksellä alan johtajilta, kutenEEPPINEN, tästä järjestelmästä on tulossa yhä tärkeämpi nykyaikaisille kaivostoiminnalle. Jos haluat optimoida kullanlouhintaprosessisi ja parantaa kannattavuutta, korkealaatuiseen järjestelmään sijoittaminen on fiksu valinta.Ota yhteyttätänään saadaksesi lisätietoja siitä, kuinka voimme tarjota räätälöityjä ratkaisuja tarpeisiisi.

Lähetä kysely

X
Käytämme evästeitä tarjotaksemme sinulle paremman selauskokemuksen, analysoidaksemme sivuston liikennettä ja mukauttaaksemme sisältöä. Käyttämällä tätä sivustoa hyväksyt evästeiden käytön. Tietosuojakäytäntö