Desorptioelektrolyyttinen järjestelmä
  • Desorptioelektrolyyttinen järjestelmä Desorptioelektrolyyttinen järjestelmä

Desorptioelektrolyyttinen järjestelmä

Yhtenä ammattimaisena valmistajana EPIC haluaa tarjota sinulle korkealaatuista desorptioelektrolyyttistä järjestelmää. Ja tarjoamme sinulle parhaan myynnin jälkeisen palvelun ja oikea-aikaisen toimituksen.

Lähetä kysely

Tuotteen Kuvaus

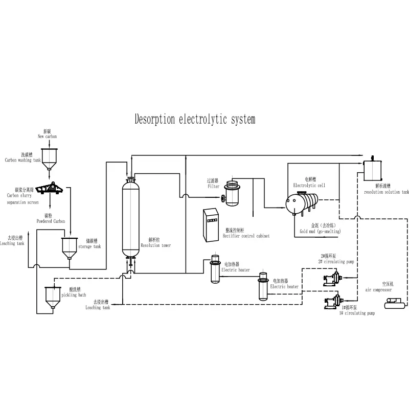
Epicin tavoitteena on taitava valmistaja tarjoamaan sinulle huippuluokan desorptioelektrolyyttistä järjestelmää. Lupaamme tarjota sinulle parhaan myynnin jälkeisen tuen ja nopean toimituksen. Anionin aktivoidulla hiilen adsorptiodesorptiojärjestelmällä, siten Au (CN) 2 "korvaaminen, toteuttaa kullan desorptio, joka saadaan kullalla ladattuna hiilen donisoinnilla, otetaan ionisoituminen saamaan ionisaation saamiseksi.

1, korkea lämpötila, korkea paine, ei syanidi, desorptio automaattinen ohjaus, korkeana, keulankulutus, nopea

Ominaisuudet: 

A.Kuipun tehokkuus: Kun kullalla ladattu hiililuokka saavuttaa 3000 g/t, desorptioaste voi saavuttaa yli 96%ja huono hiililuokka voidaan vähentää 3-4 kertaa verrattuna tavanomaisen desorptioelektrolyyttisen suhteen,

laite:

B.Fast: Desorptioelektrolyysilämpötila voi olla jopa 150 ℃ (30-55 ℃ korkeampi kuin muut mallit) Järjestelmäpaine jopa 0,5MPA: iin (0,2-0,5MPA korkeampi kuin muut mallit), joten desorptioelektrolyysiaika on erittäin nopea, yleensä 12 tuntia, lyhenty melkein melkein 

3 kertaa: C.Low-kulutus: Desorptioelektrolyyttinen lämpötila on sama, ei lämmönsiirtoa nopean työn takia, joten kokonaistehonkulutus on tavanomaisen järjestelmän 1/2-1/4.

2.

3, korkealaatuista kulta mutaa, ei tarvitse kääntää elektrolyysiä, helppo uutto;

4, Automaattinen ohjaus: Aseta erityisesti nestemäisen tason ohjausjärjestelmä, lämpötilanhallintajärjestelmä ja automaattinen ohjausjärjestelmä;

5, Turvallisuus: Kolminkertaisilla turvallisuussuojaustoimenpiteillä, nimittäin itse älykäs, automaattinen paineen rajoittava paineenvapautumismekanismi, vakuutusturvaventtiili.

Hot Tags: Desorptioelektrolyyttinen järjestelmä
Lähetä kysely
Ole hyvä ja lähetä kyselysi alla olevalla lomakkeella. Vastaamme sinulle 24 tunnin kuluessa.
X
Käytämme evästeitä tarjotaksemme sinulle paremman selauskokemuksen, analysoidaksemme sivuston liikennettä ja mukauttaaksemme sisältöä. Käyttämällä tätä sivustoa hyväksyt evästeiden käytön. Tietosuojakäytäntö