English
Español
Português
русский
Français
日本語
Deutsch
tiếng Việt
Italiano
Nederlands
ภาษาไทย
Polski
한국어
Svenska
magyar
Malay
বাংলা ভাষার
Dansk
Suomi
हिन्दी
Pilipino
Türkçe
Gaeilge
العربية
Indonesia
Norsk
تمل
český
ελληνικά
український
Javanese
فارسی
தமிழ்
తెలుగు
नेपाली
Burmese
български
ລາວ
Latine
Қазақша
Euskal
Azərbaycan
Slovenský jazyk
Македонски
Lietuvos
Eesti Keel
Română
Slovenski
मराठी
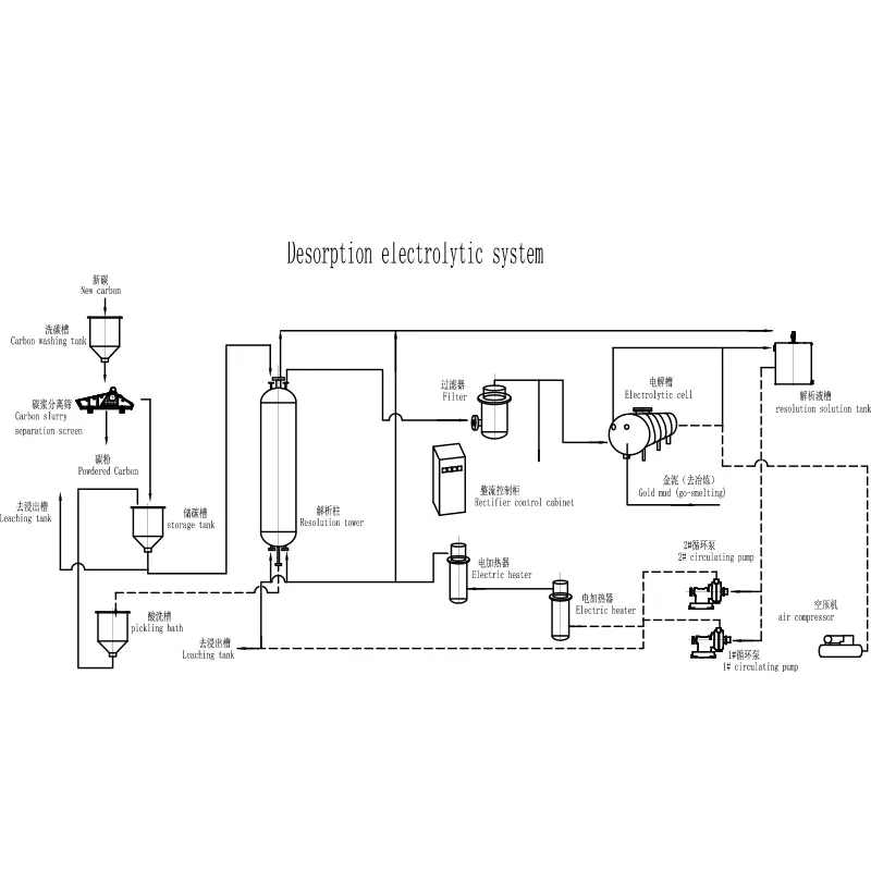
Srpski језик Desorptioelektrolyyttijärjestelmä on ratkaiseva teknologia nykyaikaisessa kullanuutossa, erityisesti hiili-in-massa (CIP) ja hiili-in-leach (CIL) prosesseissa. Tämä blogi tutkii järjestelmän toimintaa, sen osia, etuja ja miksi siitä on tullut standardi tehokkaassa kullan talteenotossa. Korostamme my......
Lue lisääUpotettu spiraaliluokitin on tärkeä komponentti mineraalien käsittelyssä, mikä tehostaa hiukkasten erottelua ja luokittelua eri teollisuudenaloilla. Tässä artikkelissa tutkimme upotettujen spiraaliluokittimien toimintaa, etuja ja sovelluksia sekä sitä, kuinka EPIC:n ratkaisut vaikuttavat kaivosteoll......
Lue lisääLiuotussekoitussäiliöt ovat kaivosteollisuuden välttämättömiä laitteita, erityisesti arvometallien erottamisessa malmeista liuotusprosessien kautta. Tässä blogissa tutkimme kaivosteollisuudessa käytettävien liuotussekoitussäiliöiden tärkeyttä, toimintaperiaatetta ja erilaisia.
Lue lisääSubmerged Spiral Classifier on mineraalien käsittelyssä tärkeä laite, joka on suunniteltu erottamaan hiukkaset koon ja tiheyden perusteella painovoimasedimentaatiolla ja mekaanisella liikkeellä. Tämä kone, jota käytetään laajasti kaivos-, hiekkapesu- ja teollisuusluokitusjärjestelmissä, varmistaa ta......
Lue lisääCircular High Rate Inclined Plate Thickener (CHRIPT) on kaivos- ja mineraalienjalostusteollisuudessa tärkeä laite. Tämä sakeutusaine, joka tunnetaan kyvystään erottaa tehokkaasti kiinteitä aineita nesteistä, on erittäin tärkeä teollisuudenaloilla, kuten jätevedenkäsittelyssä, mineraalien käsittelyss......
Lue lisääSylinterimäinen vaahdotuskenno mullistaa mineraalien käsittelyn optimoidulla suunnittelullaan, parannetulla talteenottonopeudellaan ja energiatehokkaalla suorituskyvyllään. Tämä kattava opas tutkii, kuinka lieriömäiset vaahdotuskennot eroavat perinteisistä malleista, niiden toimintaperiaatteet, edut......
Lue lisää