Kuinka syanoidut laitteet parantavat kullan talteenottoa ja työpaikan turvallisuutta?

2026-01-08 - Jätä minulle viesti

Jos sinusta on koskaan tuntunut, että syanidaatio on "tehokasta, mutta stressaavaa", et kuvittele sitä. Kemia toimii – mutta jokapäiväinen todellisuus voi olla sotkuista: vaihteleva malmi, reagenssien ylikulutus, hiilihäviöt, odottamattomat seisokit ja jatkuva paine toimia turvallisesti ja johdonmukaisesti. Tämä artikkeli hajottaa mitäSyanointilaitteetpitäisi todella tehdä sinulle, mitä kysyä ennen ostamista ja kuinka välttää kalleimmat virheet.


Abstrakti

ModerniSyanointilaitteetei ole vain joukko säiliöitä – se on yhdistetty järjestelmä, joka on suunniteltu säätelemään huuhtoutumisolosuhteita, stabiloimaan talteenottoa, vähentämään reagenssihukkaa ja pitämään syanidin käsittely ennustettavana. Ostajat kamppailevat tyypillisesti neljän kipukohdan kanssa: epäjohdonmukainen toipuminen, korkeat käyttökustannukset, heikko turvavalvonta ja ylläpitopäänsärky. Alla on käytännöllinen, tehtaan lattianäkymä syanointimoduuleista (uutto, adsorptio, desorptio/elektrorikastus, detox ja instrumentointi), valintamatriisin, käyttöönottovinkkejä ja UKK-osion, jota voit käyttää toimittajakeskustelujen aikana.


Sisällysluettelo


Yleiskuvaus yhdellä silmäyksellä

  • Käännä "Tarvitsen syanidaation" täydelliseksi, hallittavaksi laitteistoksi.
  • Tunnista, mikä moduuli aiheuttaa häviöitäsi (talteenotto, reagenssi, hiili tai seisokit).
  • Käytä yksinkertaista matriisia vertaillaksesi malmityyppisi ja rajoitustesi ratkaisuja.
  • Mene toimittajatapaamisiin tarkistuslistalla, joka paljastaa heikot mallit nopeasti.

Oikean ostajan kipupisteet

Kun ihmiset ostavatSyanointilaitteet, he sanovat usein "Tarvitsen parempaa palautumista". Ne tarkoittavat yleensä seuraavaa: "Tarvitsen palautumista, joka pysyy korkealla, vaikka malmi muuttuu, operaattorit vaihtuvat ja paikka on etäinen." Tässä ovat kipukohdat, jotka näkyvät yhä uudelleen:

  • Toipuminen heilahteleemalmin vaihtelu, jauhatusongelmat, happirajoitukset tai huono pH-säätö.
  • Reagenssikustannusten noususyanidin tai kalkin yliannostuksesta "varmuuden vuoksi".
  • Hiiliongelmatkuten likaantuminen, hankaushäviö tai huono adsorptiokinetiikka.
  • Seisokkipumpun/venttiilin vioista, hankaavan lietteen kulumisesta tai vaikeapääsyisistä asetteluista.
  • Turvallisuusstressisyanidin varastoinnin, annostelun ja hätäapuvalmiuden ympärillä.

Hyvä laitesuunnittelu ei poista kaikkea monimutkaisuutta, mutta sen pitäisi poistaa arvailu.


Mitä "syanointilaitteet" sisältää

Cyaniding Equipment

Vähintään,Syanointilaitteettulee ymmärtää järjestelmänä, joka tukee näitä toimintoja:

  • Liuotus: anna aikaa, sekoitusta ja kemian hallintaa liukenemiselle.
  • Kullan sieppaus: adsorptio aktiivihiileen (CIP/CIL) tai saostumisreittejä.
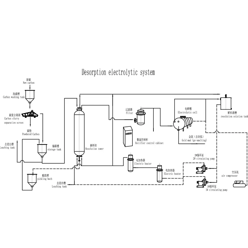
  • Kullan palautus: desorptio ja elektrolyyttinen talteenotto (tai vaihtoehtoiset talteenottopiirit).
  • Detox ja rikastushiekan käsittely: vähennä jäännössyanidia hyväksyttävälle tasolle.
  • Instrumentointi ja ohjaus: mittaa ja stabiloi pH, liuennut happi, virtaus ja annostelu.

Jos toimittaja puhuu vain "säiliöistä", työnnä niitä määrittääksesi koko virtauksen ja ohjauspisteet. Syanidaatio on anteeksiantavaa laboratorio-olosuhteissa; se ei ole anteeksiantava kaoottisissa kenttäolosuhteissa.


Selkeä prosessikartta Oresta Doreen

Vaikka jokainen kasvi on erilainen, useimmat syanidointireitit noudattavat tunnistettavaa selkäranka. Käytä tätä karttaa tarkistaaksesi, onko ehdotettu paketti valmis:

Vaihe Mitä sen on saavutettava Tyypillinen "piilotettu" riski
Esikäsittely (tarvittaessa) Tee kullasta saatavilla ja estä syanidin kulutuspiikit Ei huomioida preg-ryöstöä, runsaasti kuparia tai reaktiivisia sulfideja
Liuotus Vakaa sekoitus, kontrolloitu pH ja riittävästi happea Kuolleet alueet, huono hapensiirto, epätasainen pH heikosta kalkkijärjestelmästä
Adsorptio (CIL/CIP) Kaappaa liuennut kulta tehokkaasti Väärä hiilen koko/siirtomenetelmä; hiilihäviöitä
Eluointi / desorptio Kuori kultaa hiilestä luotettavasti Epätasainen lämmitys/virtaus johtaa alhaiseen poistotehokkuuteen
Sähköinen rikastus / sulatus Toivu ja tuo doré Alikokoiset kennot, huono elektrolyyttihallinta, lietteen käsittelyongelmat
Detox Vähennä jäännössyanidia ennen poistoa/jätteitä Suunnittelu ei vastaa suorituskyvyn vaihtelua tai jätekemiaa

Avainmoduulit ja mitä tarkistettava

1) Liuotussäiliöt ja sekoitus

  • Onko sekoitusrakenne sopiva lietteen tiheyteen ja hankaavuuteen?
  • Pystyykö järjestelmä ylläpitämään vakaan pH:n malmin vaihtelun alla?
  • Onko hapen lisääminen käytännöllistä sivustollasi (ja otetaanko hapen siirto huomioon suunnittelussa)?
  • Mahdollistaako asettelu juoksupyörien, vaipaiden ja laakerien helpon tarkastuksen?

2) Hiilen adsorptio ja siirto

  • Ovatko vaiheiden väliset näytöt riittävän kestäviä estämään hiilen kulkeutumisen?
  • Onko hiilensiirto suunniteltu vähentämään rikkoutumista ja hävikkiä?
  • Onko suunnittelu ystävällinen puhdistukseen ja hiilivaraston hallintaan?

3) Desorptio ja elektrolyyttinen rikastus

  • Vastaako eluointipiiri hiilikuormitusodotuksiasi?
  • Ovatko lämmityksen ja virtauksen säätimet vakaat (ei "käyttäjäriippuvaisia")?
  • Onko lietteen käsittely suunniteltua, ei improvisoitua?

4) Syanidin annostelu ja mittaus

  • Onko annostelu automatisoitu lukituksella vai puhtaasti manuaalinen?
  • Mikä on suunnitelma kalibrointia ja anturin huoltoa varten todellisessa kaivosympäristössä?
  • Ovatko näytteenottopaikat turvallisia ja hyvin sijoitettuja vai ovatko ne jälkikäteen?

5) Detox

  • Perustuuko detox-suunnittelu poistumistavoitteidesi ja rikastushiekkakemiaan?
  • Pystyykö se käsittelemään lyhytaikaisia ​​piikkejä pakottamatta sammuttamista?

Käytännön vinkki:Paperilla halvemmalta näyttävä ehdotus nostaa usein kustannuksia toimintoihin – ylimääräistä syanidia, ylimääräistä kalkkia, ylimääräistä huoltotyötä ja "sankarillisempaa" kuljettajan käyttäytymistä. Lasku tulee myöhemmin.


Mitoituksen ja määrittelyn perusteet

Sinun ei tarvitse olla metallurgi kysyäksesi kokoa koskevia kysymyksiä, jotka suojaavat budjettiasi. vartenSyanointilaitteet, ytimen mitoituslogiikka pyörii suorituskyvyn, viipymäajan ja massasiirron ympärillä. Ennen kuin hyväksyt lopullisen suunnittelun, varmista, että nämä syötteet on nimenomaisesti ilmoitettu:

  • Suunnittelun suorituskyky(keskiarvo ja huippu sekä odotettu kausivaihtelu).
  • Tavoite jauhatuskokoja mitä tapahtuu, jos mylly ajautuu karkeammaksi.
  • Uudon viipymäaikaja perustuuko se testeihin tai oletuksiin.
  • pH- ja alkalisuussuunnitelma(mukaan lukien kalkin valmistus ja annostelun stabiilisuus).
  • Happistrategia(ilma, happi tai ei mitään) ja odotettu vaikutus kinetiikkaan.
  • Hiilivarasto(kuinka paljon hiiltä, ​​missä se sijaitsee ja miten sitä valvotaan).

Jos toimittaja ei pysty selittämään näitä selkeällä kielellä, käsittele sitä riskisignaalina, ei teknisenä tekijänä.


Turvallisuus ja syanidihallinta, joka todella kestää

Turvallisuus ei ole juliste seinällä. Syanidaation ansiosta se on sisäänrakennettu fyysiseen suunnitteluun ja rutiinihallintaan. VahvaSyanointilaitteetPaketit sisältävät yleensä:

  • Mukana säilytys ja siirtoselkeillä vuotopoluilla ja yhdistämislogiikalla.
  • Lukittu annostelujoten syanidia ei voida lisätä, jos keskeiset ehdot eivät täyty.
  • Selkeä näytteenottosuunnittelujoka vähentää altistumisriskiä rutiinitarkastuksissa.
  • Hätävalmiusosana käyttömenettelysarjaa, ei lisäasiakirjaa.

Ostajan näkökulmasta työsi on yksinkertainen: pakota ehdotus näyttämään tarkasti, kuinka ihmiset ovat vuorovaikutuksessa järjestelmän kanssa. Missä he seisovat? Mihin ne koskettavat? Miten he eristävät laitteet? Miten he reagoivat pumpun tiivisteen rikkoutumiseen kello 2 yöllä?


Mistä käyttökustannukset todella tulevat

Jos unssihintasi on ajelehtimassa ylöspäin, kyseessä ei yleensä ole yksi dramaattinen vika – kyseessä ovat pienet vuodot järjestelmässä. Syanidaation yleisimmät kustannustekijät ovat:

  • Syanidin kulutusreaktiivisten mineraalien, yliannostustottumusten tai huonojen säätösilmukoiden johdosta.
  • Kalkin kulutuskun pH-säätö on epävakaa tai lietteen kemiaa ei ymmärretä hyvin.
  • Hiilihäviökulumisen, näyttöongelmien tai huonon siirtosuunnittelun vuoksi.
  • Virta ja huoltoliiallisesta sekoituksesta, huonosti suunnitelluista kuluvista osista ja vaikeasti huollettavista asetteluista.
Oire Todennäköinen perussyy Laiteominaisuus, joka auttaa
Talteenotto laskee, kun malmi vaihtuu pH/DO epävakaus; huono sekoitus; riittämätön oleskeluaika Vankka sekoitus, parempi ohjausinstrumentointi, joustava säiliön kapasiteetti
Syanidin kulutus kasvaa jatkuvasti Yliannostus; runsaasti syanidia kuluttavat mineraalit; huono mittaus Hallittu annostelu, luotettavat näytteenottopaikat, älykkäät lukitukset
Hiilivarasto kutistuu "mystisesti". Näytön viat; siirtotappiot; kuluminen Kestävät interstage-näytöt, hellävarainen siirtomuotoilu, selkeä hiililaskenta
Toistuvat sammutukset Kuluvat osat, pumpun tiivisteet, pääsyongelmat Kulutusta kestävät materiaalit, pääsy huoltoon, standardoidut varaosat

Luotettavuus ja huoltosuunnittelu

Cyaniding Equipment

Syanointipiiri voi näyttää "täydeltä" ja silti olla epäluotettava, jos huoltoa ei ole suunniteltu. Kysy, miten toimittaja suhtautuu:

  • Materiaalien valintahankaaville lietevyöhykkeille ja syanidin kosketusalueille.
  • Pääsyseuloihin, juoksupyöriin, vuorauksiin, pumppuihin ja instrumentteihin.
  • Varaosien strategiajoka vastaa sivustosi todellisuutta (toimitusajat, logistiikka, varastointi).
  • Standardointivähentää ainutlaatuisten kulutustavaroiden määrää.

Etäkäytössä "helppo ylläpitää" voi olla arvokkaampaa kuin "hieman tehokkaampi paperilla".


Toimittajakysymykset, joita sinun tulee kysyä

Käytä tätä tarkistuslistaa kokouksissa. Se on suunniteltu tuomaan esiin heikkoja ehdotuksia nopeasti – muuttamatta keskustelua keskusteluksi.

  • Mitkä malmiriskit otetaan pois ja mitkä ovat aktiivisesti suunniteltuja?
  • Mitkä ovat viipymäajan, pH-alueen ja happistrategian suunnittelupanokset?
  • Miten syanidin annostelua ohjataan ja mitä tapahtuu anturivian aikana?
  • Miten hiilihäviötä estetään ja mitataan rutiinitoiminnoissa?
  • Mikä on seulojen, sekoittimien ja pumppujen huoltosuunnitelma?
  • Mitkä ovat suositellut kuljettajan tarkastukset vuoroa kohden ja miten ne tehdään turvallisiksi?
  • Mitä käyttöönottotukea sisältyy ja mitä kuljettajakoulutusta tarjotaan?

Jos arvioit toimittajia, se voi auttaa keskustelemaan valmistajan kanssa, joka voi toimittaa täyden syanidaation paketin ja tukea integroinnin yksityiskohtia. Esimerkiksi, Qingdao EPIC Mining Machinery Co., Ltd.tarjoaa kaivosteollisuuden laitteistoratkaisuja, joissa syanidointipakkauksia pidetään järjestelminä – uutto-, adsorptio-, talteenotto- ja ohjausjärjestelmänä – eikä irrotettuna säiliösarjana.


FAQ

Mikä tekee syanidointilaitteista "modernin" eikä perustavanlaatuisen?

Nykyaikaiset mallit keskittyvät hallittavuuteen ja toistettavuuteen: vakaa annostelu, luotettava mittaus, turvallisempi näytteenotto, kestävä kulumissuoja ja asettelut, jotka vähentävät käyttäjän improvisaatiota. Tavoitteena on johdonmukainen talteenotto pienemmällä reagenssijätteellä ja vähemmän seisokkeilla.

Pystyykö syanointilaitteisto käsittelemään matalalaatuista malmia taloudellisesti?

Se voi, mutta vain, kun piiri on suunniteltu kinetiikkasi ja kulutusprofiilisi mukaan. Heikkolaatuiset toiminnot ovat yleensä herkkiä reagenssin ylikulutukselle ja seisokeille, joten ohjausjärjestelmistä, kulumisen suunnittelusta ja hiilenhallinnasta tulee erityisen tärkeitä.

Mistä tiedän, tarvitsenko CIP:tä vai CIL:ää?

Valinta riippuu yleensä liuotuskinetiikasta ja siitä, kuinka nopeasti liuennut kulta tulisi ottaa talteen. Jos kulta liukenee nopeasti ja haluat siepata välittömästi, CIL voi olla houkutteleva. Jos liuotus hyötyy erotuksesta ennen adsorptiota, CIP saattaa sopia paremmin. Metallurgisten testien ja käytännön työpaikan rajoitusten pitäisi ohjata päätöstä.

Miksi syanidin kulutus nousee joskus yhtäkkiä?

Yleisiä syitä ovat malmin mineraalimuutokset, huono pH-säätö, odottamaton happirajoitus tai prosessiveden saastuminen. Hyvä valvontasuunnitelma ja luotettavat näytteenottopisteet tekevät näistä piikeistä helpompia diagnosoida ja korjata nopeasti.

Mitä minun pitäisi asettaa etusijalle, jos sivustoni on etäinen ja sillä on vähän henkilökuntaa?

Aseta etusijalle ylläpidettävyys ja automaatio, joka vähentää manuaalista käsittelyä: kestävät näytöt, helppopääsyinen laiteasettelu, standardoidut varaosat, lukittu annostelu ja selkeät käyttörutiinit, jotka eivät ole riippuvaisia ​​"yhdestä asiantuntevasta käyttäjästä".


Päätös

OstaminenSyanointilaitteetviime kädessä on kyse epävarmuuden vähentämisestä. Kemia voi olla todistettu, mutta kannattavuutesi riippuu johdonmukaisesta hallinnasta, käytännön huollosta ja turvallisuudesta, joka toimii todellisissa vuoroissa oikeiden ihmisten kanssa. Jos suunnittelet uutta laitosta tai päivität olemassa olevaa piiriä, tuo taulukkoon malmitodellisuutesi, suoritustehotavoitteesi ja toimipaikan rajoitukset – ja vaadi ehdotusta, jossa syanidaation käsitellään täydellisenä, hallittavana järjestelmänä.

Oletko valmis muuttamaan syanidointisuunnitelmasi luotettavaksi, kustannusvakaaksi toiminnaksi?Jaa malmityyppisi, tavoitekapasiteettisi ja sijaintisi olosuhteet jaota meihin yhteyttäkeskustellaksesi käytännöllisestä laitekokoonpanosta, joka sopii laitoksellesi ja käyttäjillesi.

Lähetä kysely

X
Käytämme evästeitä tarjotaksemme sinulle paremman selauskokemuksen, analysoidaksemme sivuston liikennettä ja mukauttaaksemme sisältöä. Käyttämällä tätä sivustoa hyväksyt evästeiden käytön. Tietosuojakäytäntö